Simultánní analýza skleníkových plynů pomocí GC Agilent

- Foto: Pixabay/Gerd Altmann: Simultánní analýza skleníkových plynů pomocí GC Agilent
- Video: Agilent Technologies: Agilent 8890 Browser Interface Diagnostics
Oxid uhličitý (CO₂), metan (CH₄) a oxid dusný (N₂O) jsou považovány za hlavní skleníkové plyny atmosféry Země. Označení „skleníkové“ pramení z povahy jejich fyzikálního působení v atmosféře. Tyto plyny pohlcují odražené sluneční záření a teplo, které se z povrchu země zvedají zpět do vesmíru a tuto energii následně uvolňují zpět do atmosféry. Zvýšená koncentrace skleníkových plynů tímto jevem brání přirozenému ochlazování atmosféry a přispívá k ohřívání planety. Sledování objemu těchto plynů v atmosféře je proto klíčovým zdrojem informace o působení člověka na změnu klimatu a pravidelným impulsem pro aktuální změny v boji proti globálnímu oteplování.
Plynové chromatografy Agilent mohou posloužit jako vhodné instrumenty pro kvantifikaci skleníkových plynů v atmosféře. V následujících řádcích popíšeme jednu z ventilových konfigurací GC systémů Agilent 8890, která zajišťuje kýžený analytický výstup. Tato sestava byla vyvinuta předně pro analýzu skleníkových plynů, ale lze ji uplatnit i pro studie složení půdních plynů, nebo studie plynných směsí vyskytujících se v procesu dýchání rostlin.
Konfigurace GC:
Systém se skládá z jediného kanálu zakončeného dvěma detektory, plamenoionizačním (FID) a detektorem elektronového záchytu (ECD). Cílovými analyty jsou CO₂, CH₄, N₂O, a SF₆ ve vzorcích vzduchu. Pakliže je před FID detektorem instalován metanizér, lze po redukci na CH₄ analyzovat i nízké koncentrace CO₂.
- LabRulez: Plynové chromatografy od Agilent Technologies a HPST
- LabRulez: Agilent 8890 GC System
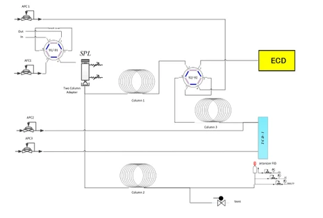
HPST: Obrázek 1: Ventilový diagram; Tabulka 1 - Parametry metody
V cestě vzorku jsou tři ventily, dva detektory a náplňové kolony o průměru 1/8 palce (HayeSep Q 80/100). Metanizér a FID detektor zajišťují měření nízkých koncentrací CH₄ a CO₂, zatímco ECD detekuje N₂O.
Ventilový diagram můžete vidět na Obrázku 1. Systém lze upravit zařazením 6-cestného ventilu pro klasické dávkování, nebo 10-cestného ventilu pro automatický headspace nástřik. Typické parametry metody znázorňuje Tabulka 1.
HPST: Obrázek 2: Chromatogram standardu
Obrázek 2 znázorňuje chromatogram vzorku standardu. Vzorek byl dávkován na krátkou HayeSep Q kolonu (COL 1), která odděluje smíšený pík pro vzduch, CO₂ a CH₄ od vodní páry. Všechny komponenty s vyšším retenčním časem než N₂O jsou zpětně odvětrány ze systému vývodem 1 (vent #1). Vzduch je následně odkloněn mimo metanizér a ECD detektor a odvětrán vývodem 2 (vent #2). CO₂ je metanizérem zredukován na CH₄ a následně změřen na FID detektoru. Po výstupu CO₂ z kolony 2 je vzorek naveden do ECD k detekci N₂O.
HPST: Tabulka 2: Studie opakovatelnosti na 21 vzorcích
V rámci vývoje metody byla provedena i studie opakovatelnosti, která posuzovala výsledky 21 po sobě jdoucích analýz. Výsledky této studie ukazuje tabulka 2. Testovaná GC konfigurace zajistila výtečnou opakovatelnost ploch píků standardu složek CH₄, CO₂ a N₂O.
HPST: Obrázek 3: Chromatogram S-N pro 32.7 ppb N2O
Ke zvýšení citlivosti ECD detekce byl použit upravený make-up plyn, argon s 5% obsahem CH₄. Využitím této směsi bylo docíleno zvýšení citlivosti detekce N₂O, a to přibližně až na 32 ppb při zachování dobrého poměru signálu k šumu (S/N, signal-to-noise) (obrázek 3).
Totožný GC systém byl následně využit pro analýzu reálných vzorků. Během tohoto experimentu byl měřeným vzorkem laboratorní vzduch. Výsledný chromatogram můžete vidět na obrázku 4. Zachycené koncentrace byly 473 ppb pro N₂O, 2.7 ppm pro CH₄ a 380 ppm pro CO₂.
HPST: Obrázek 4: Chromatogram reálného vzorku
Tento systém lze využít i pro analýzu SF₆ oddálením momentu odvětrání na ventilu 1 (valve 1). SF₆ pak prochází na kolonu 1 (předkolona, column 1). Obrázek 5 ukazuje chromatogram SF₆ pro přibližnou koncentraci 0.5 ppb při dávkovaném objemu vzorku 1 ml.
HPST: Obrázek 5: Chromatogram SF6
Výše popsaný jednoduchý ventilový systém Agilent 8890 je spolehlivým a přesným instrumentem pro analýzu skleníkových plynů, ale i jiné aplikace stanovující plynné směsi o složení CO₂, CH₄, N₂O, a SF₆. Podobných ventilových analyzérů Agilent nabízí celou škálu. Tyto systémy splňují požadavky naprosté většiny průmyslových aplikací. V případě zájmu se na nás neváhejte obrátit, bezpochyby najdeme optimální konfiguraci i pro vaše vzorky.
Pro Vaše dotazy kontaktujte: Daniel Sander, Produktový specialista (GC, generátory plynů Peak Scientific) (Tel. : 724 805 278, E-mail: [email protected])




